MST-SH-70C

数字在线折射仪(Inline)是工业自动化非常重要的一部分,在国家倡导的节能减排大方针下,越来越多的企业开始选用国产的在线折射仪,产品稳定,价格经济,真正能做到为企业去节省人力成本和运行成本,提高了企业的生产效率和经济效益。
CUPER MEASURE品牌下的数字在线折射仪,目前已经广泛的应用于果汁,牛奶,豆浆,切削液,化工厂,制药和矿山等很多行业,凭借其稳定的性能和方便的操作受到很多客户的一致好评。并且我们的产品广泛的出口美国,德国,比利时和瑞士等国,在当地的传统国外Inline折射仪的市场,也有了非常良好的反响。
70C的产品特点是触页面为圆形,这样的设计方便在主管道,无法走旁路的场景应用,利用主管道内强大的水流来实现一个有效的冲刷棱镜面,避免造成颗粒的附着影响精度。

一. CUPER MEASURE在线折射仪(Inline)的尺寸和参数要求:

|
测量范围 |
Brix 0.0-70.0% |
分辨率 |
Brix 0.1% |
|
|
折射率:1.3330-1.3606 |
|
折射率0.0001 |
|
|
温度 0.0-100.0℃ |
|
温度0.1℃ |
|
测量精度 |
Brix 0.2% |
环境温度 |
0.0-60.0℃ |
|
|
折射率+-0.0003 |
液体量 |
全入式测量 |
|
|
温度+-0.5℃ |
耐压 |
1MPa |
|
测量时间 |
默认5秒测量1次 |
防护等级 |
前端部分IP67 |
|
安装方式 |
螺纹,法兰盘,卡盘等。支持定制。 |
||
|
测量温度 |
0-80℃(自动温度补偿0-60℃) |
||
|
输出方式1 |
模拟输出:4-20mA |
||
|
输出方式2 |
数字输出485 |
||
|
其他输出 |
可定制 |
||
|
输入 |
DC24V±10%, 电流<100mA |
||
|
产品材料部分 |
蓝宝石棱镜。在线折射仪壳体:SUS316l 可选择材质:哈氏合金等 |
||
|
清洗组合件 |
可选配气动刷子组件或者超声波清洗组件 |
||
|
出厂标配 |
四通流通池,焊接快接,堵片,聚四氟垫片,卡箍 |
||
请注意:防爆场景下的应用请选用防爆款在线折射仪

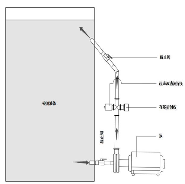
二. CUPER MEASURE在线折射仪(Inline)的安装方式:
1. 主管道旁路安装


三. CUPER MEASURE在线折射仪(Inline)的清洗方式:
1. 超声波清洗




2. 气动刷子清洗








